首页 > 百科 > 汽车

汽车电路图识读的注意事项?

时间:2026-01-04来源:网络作者:小菜点击数:
简介:随着汽车电子技术的发展,汽车电路图变得越来越复杂,也越来越重要,因此如何快速而准确地识读汽车电路图是许

【菜科解读】

随着汽车电子技术的发展,汽车电路图变得越来越复杂,也越来越重要,因此如何快速而准确地识读汽车电路图是许多汽车维修人员常常感到头疼的事情本文介绍了识读汽车电路图的若干技巧,下面我们就来聊聊关于汽车电路图识读的注意事项?接下来我们就一起去了解一下吧!

汽车电路图识读的注意事项(汽车电路图的识读技巧)

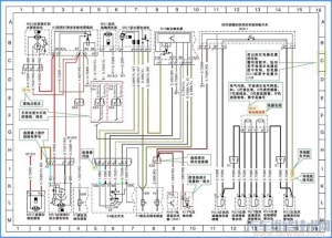
汽车电路图识读的注意事项

随着汽车电子技术的发展,汽车电路图变得越来越复杂,也越来越重要,因此如何快速而准确地识读汽车电路图是许多汽车维修人员常常感到头疼的事情。

本文介绍了识读汽车电路图的若干技巧。

1 纵观“全局”,眼盯“局部”

首先应认真地读几遍图注,对照线路图查看电器在车上的大概位置及数量,电器的用途,有没有新颖独特的电器,如有应加倍注意。

全车电路一般都是由各个局部电路所构成,它表达了各个局部电路之间的连接和控制关系。

要把局部电路从全车总图中分割出来,就必须掌握各个单元电路的基本情况和接线规律。

弄清楚局部电路工作原理后,再来分析各局部电路中的联系,特别是与电源电路的联系,进而弄清楚整车电路的工作原理。

2 熟悉电路标记符号

对照图注和图形符号,熟悉有关元器件名称及其在图中的位置、数量和接线情况。

为了便于绘制和识读汽车电器电路图,有些电器装置的接线柱都赋予不同的标志代号。

接至电源端接线柱用B表示,接至点火开关的接线柱用SW表示,接至起动机的接线柱用S表示,接至各种灯具的接线柱用L表示,发电机中性点接线柱用N表示,励磁电压输出端接线柱用D 表示,发电机电枢输出端接线柱用B 表示等等。

3 牢记回路原则

任何一个电路都应是一个完整的电气回路,其中包括电源、开关(或熔断器)、电器(或电子线路)、导线和连接器等,并从电源正极经导线、开关(或熔断器)至用电器后搭铁,再回到同一电源的负极。

这样的电路才是正确的,否则,就是读错了或查错了。

这个原则是无论在读什么电路图时都要用到的,在读汽车电路时却往往被忽略,理不出头绪来。

具体方法:可以沿着电路电流的流向,通常由电源正极出发,顺藤摸瓜查到用电设备、开关等,回到电源负极。

也可逆着电路电流的方向,电源负极(搭铁)开始,经过用设备、开关等回到电源正极。

尤其是查寻一些不太熟悉的电路,后者比前者更为方便。

4 掌握开关在电路中的作用

开关是控制电路通断的关键,特别注意继电器不但是控制开关也是被控制对象。

对多层多档多接线柱的开关要按层、按档位、按接线柱逐级分析其各层各档的功能。

有的用电设备受2个以上单档开关(或继电器)的控制,有的受2个以上多档开关的控制,其工作状态比较复杂,如间歇刮水器电路。

当开关接线柱较多时,首先抓住从电源来的一两个接线柱,再逐个分析与其他各接线柱相连的用电设备处于何种档位,从而找出控制关系。

对于组合开关,在线路图中是画在一起的,而在电路图中又按其功能画在各自的局部电路中,遇到这种情况必须仔细研究识读。

5 注意电路中开关或继电器的状态

大多数电器或电子设备都是通过开关(包括电子开关)或继电器的不同状态而形成回路或改变回路实现不同的功能的。

例如燃油泵的回路必须在燃油泵继电器触点闭合时才能形成,而燃油泵继电器触点闭合的条件是继电器线圈得电导通。

同理,从其电路图可以看出,燃油泵继电器线圈必须在电控单元中起开关作用的三极管导通时才能通过电控单元中的接地点形成回路。

对于采用多档点火开关或组合开关的电路,还应注意蓄电池(或发电机)电流是通过什么途径到达这个开关的,中间是否经过其他开关或熔断器,火线接在开关的哪个接线柱上;

多挡开关共有几个挡位,开关内部有几个同时或分别动作的触刀,在每一档位各接通或关断哪些电器;

组合开关由哪些开关或按钮组合而成,各通过哪些触点接通电路或改变回路等等。

6 掌握电器装置在电路图中的布置

在电器系统中,有大量电器装置是机电合一的,如各种继电器,还有多层多档组合开关。

这些电器装置在电路图上表示时,应做到使画法既简单(便于画图),又便于识图,可采用集中表示法或分开表示法。

集中表示法是把一个电器装置的各组成部分,在图上集中(即靠近)绘制的一种表示方法,集中表示法仅适用于较简单的电路。

随着汽车电路日趋复杂,一个电器装置有较多的组成部分(如组合开关、继电器的线圈、触点),若集中画在一起,则易引起线条往返和交叉线过多,造成识图困难。

这时宜采取分开表示法,即把继电器的线圈、触点分别画在不同的电路中,用同一个文字符号或数字符号将分开部分联系起来。

7 掌握各局部电路之间的内在联系

汽车全车电路基本上由电源电路、充电电路、点火电路、启动电路和辅助电器设备电路等局部电路组成。

从整车电路来讲,各局部电路除电源电路公用外,其他部分都是独立的,但它们之间存在着内在联系和相互影响。

因此,不但要熟悉各局部电路的组成、特点、动作过程和电流流经的路径。

而且还要了解各局部电路之间的联系和相互影响。

这是掌握汽车电路的一个重要环节,也是实现准确判断和迅速找出故障部位,排除故障的必要条件。

8 熟悉线束色标的规律

一般情况下,在基本电路里车上电线用什么颜色,图上就印什么颜色。

电线的颜色是有一定规律的,红色线大多为控制火线,棕色都为接地线,白、黄色线用于控制灯,篮色线大多用于指示灯或传感器,全绿,红、黑或绿、黑多用于脉冲式的用电器。

另外,通常火线代号是30,接地线的代号是3l,受控制的大容量用电设备供电线的代号是X,受控制的小容量用电设备供电线的代号是l5。

这些在线路图里或电器零件上到处可见的颜色和数字,一旦被读者掌握了,在使用与维修中,就会提高工作效率。

9 通过解剖典型电路,达到触类旁通

许多车型的许多局部电路都是相同或相近的,因此,剖析几个典型电路,掌握其接线特点和原则,就能了解许多其他车型的电路,达到触类旁通的目的。

关于孙中山死因与遗体相关谜团

孙中山因胆囊癌和胰腺癌转移引发的肝癌在北京逝世,遗体葬于南京中山陵,其遗体标本保存情况与内脏切片去向至今未有定论。

以下是关于孙中山死因与遗体相关谜团的详细分析:孙中山的死因官方记载与病历文件:历史教科书及多数文史资料称孙中山死于肝癌,因其在北京协和医院被诊断罹患肝癌并接受手术。

但协和医院保留的病历文件显示,肝癌并非原发病症,而是由胆囊癌和胰腺癌转移所致。

病情发展:孙中山晚年健康恶化,胆囊癌与胰腺癌的转移导致肝功能衰竭,最终引发死亡。

这一结论基于现代医学对癌症转移路径的分析,与病历记录一致。

遗体处理与安葬过程遗愿与选址:孙中山生前多次表达希望葬于南京紫金山的意愿。

1925年逝世后,遗体经防腐处理暂厝北京香山碧云寺,待陵寝建成后迁葬南京。

陵园规划:葬事筹备委员会选定紫金山中茅山南坡为墓址,要求墓址高于明孝陵且不可被后续墓葬超越。

陵园最初规划数万亩,后因军阀势力交涉缩减至2000亩,1927年扩大至45870亩。

奉安典礼:1929年6月1日,孙中山灵柩由北京运抵南京,举行奉安典礼。

灵柩移入墓室后,由宋庆龄率家属关闭墓门,完成安葬。

遗体相关谜团与争议日军侵华期间的风险:南京保卫战:日军进攻南京时,中山陵警卫大队24人战死或被害,陵园建筑遭严重破坏,但墓穴未被打开。

日军因孙中山在日本威望未进一步破坏陵园。

遗体安全:日军曾考虑开墓取出遗体,但因担忧损坏棺柩而放弃,遗体始终未被扰动。

蒋介石撤退时的传言:遗体转移说:有传言称蒋介石撤退大陆时将遗体带至台湾,但孙中山卫士范良曾证实,蒋介石未提及中山陵,仅孙科表示日军不会为难卫士。

内脏切片标本的去向:保留与流失:协和医院未火化孙中山内脏,而是保留切片供研究。

日本占领医院后发现标本,后由汪伪政权要回,抗战期间被官员偷出私藏。

最终下落:抗战胜利后,标本被追回并计划存放中山陵,但传言被孙科带走。

范良曾称在墓室中见过五脏切片标本,但当事人均已去世,真相待考。

历史研究的现状遗体标本保存:孙中山遗体标本是否仍在中山陵或由其后代保管,尚无确凿证据,需进一步考古或文献发掘。

内脏切片争议:相关记录与目击者证词矛盾,需结合多方资料验证标本最终去向。

孙中山的死因已由病历文件明确为胆囊癌与胰腺癌转移引发的肝癌,而遗体标本与内脏切片的去向仍笼罩在历史迷雾中。

这些谜团不仅关乎个人历史,也折射出近代中国政治与社会的复杂变迁,需更多研究以还原真相。

历史上关于龙真实的记载有很多,它们真的存在吗?

在浩瀚的历史长河中,龙,这一神秘而威严的生物,始终笼罩着一层神秘的面纱。

从古老的甲骨文到浩瀚的史书典籍,从民间传说到帝王神话,龙的踪迹无处不在。

但它们,真的只是古人想象中的产物,还是曾真实存在于这个世界的某个角落?让我们一同揭开历史的面纱,探寻那些关于龙的神秘记载。

史前遗迹:龙形初现,文明曙光龙的传说,可追溯至遥远的史前时代。

在辽宁阜新查海原始村落遗址,考古学家发现了一条用褐色石头堆砌而成的“龙形堆塑”,全长20米,距今已有8000年之久。

这不仅是目前发现的最早的龙文化形象,更是华夏先民对龙图腾崇拜的实物见证。

与此同时,河南濮阳西水坡仰韶文化遗址的墓葬中,也出土了用蚌壳精心摆塑的龙、虎图案,被誉为“中华第一龙”。

这些龙形遗迹,不仅揭示了龙形象的起源,更反映了原始农业社会对雨水的依赖与崇拜。

帝王神话:龙乘天际,君权神授在中国古代,龙与帝王之间有着千丝万缕的联系。

据《史记·封禅书》记载,黄帝采首山铜,铸鼎于荆山下,鼎成之后,有龙垂胡髯下迎黄帝,黄帝上骑,群臣后宫从上者七十余人,龙乃上去。

这一传说,虽带有神话色彩,却深刻反映了古人对龙的崇拜与敬畏。

而《大戴礼记·五帝德》中“颛顼乘龙而至四海”“帝喾春夏乘龙”的记载,更是将龙与帝王的神性紧密相连。

这些传说,不仅为帝王披上了神秘的面纱,更成为后世帝王宣扬君权神授的重要依据。

史书详载:龙现人间,祥瑞之兆在中国古代史书中,关于龙的记载层出不穷,它们或现于宫廷,或见于民间,成为祥瑞之兆的象征。

据《汉书·五行志》记载,汉惠帝二年正月癸酉旦,有两龙见于兰陵廷东里温陵井中,至乙亥夜去。

这一记载,不仅详细记录了龙出现的时间、地点,更反映了古人对龙现的重视与敬畏。

而《晋书·卷一百九·载记第九》则记载了前燕慕容皝在龙山祭龙的盛况:“时有黑龙、白龙各一,见于龙山,皝亲率群僚观之,去龙二百余步,祭以太宰。

二龙交首嬉翔,解角而去。

”这一事件,不仅被慕容皝视为天命所归的象征,更成为后世政权巩固合法性的重要依据。

民间传说:龙行天下,恩泽四方除了史书记载外,民间关于龙的传说更是丰富多彩。

在黑龙江的传说中,曾有一条白龙为祸人间,后被村民与一条黑龙联手击败。

为纪念黑龙的英勇事迹,村民将江取名为黑龙江。

而在四川九寨沟的卧龙湖传说中,白龙与黑龙展开了一场惊心动魄的恶斗。

最终,黑龙以智取胜,将白龙逼入九寨沟的一个湖泊中。

这些传说,不仅丰富了龙的文化内涵,更反映了古人对正义与勇敢的崇尚与追求。

考古实证:龙骨龙鳞,实物佐证除了文字记载外,考古发现也为龙的神秘存在提供了实物佐证。

1996年,贵州省安顺市关岭县新铺乡出土了一具“新中国龙”化石,其龙首上有对称的一对“龙角”,与神话中的龙形象极为相似。

这一发现,不仅引起了古生物学家的广泛关注,更为古代传说中长角的神龙提供了实物佐证。

此外,辽宁营口坠龙事件、陈家围子村坠龙事件等民间传闻,虽因缺乏确凿证据而饱受争议,却也反映了古人对龙的神秘信仰与敬畏之情。

文献考据:龙迹寻踪,文化传承从《周易》的卦辞到《左传》的史笔,从《后汉书》的祥瑞记载到明清地方志的民间见闻,龙的形象与传说在历史文献中留下了深刻的印记。

这些文献不仅记录了龙的出现时间、地点与形态特征,更反映了古人对龙的崇拜与敬畏之情。

猜你喜欢

汽车电路图识读的注意事项?

点击下载文档

格式为doc格式